千亿qy88国际官网入口集团

激光配件

激光打标头,振镜,激光电源,泵浦腔,反射体,激光灯,光纤,传感器,皮秒激光放大器,光纤及探头
激光陶瓷反射体

激光陶瓷反射体

时间:2021-10-11 类别:激光配件 关注:1948
陶瓷反射体近来广泛应用于激光泵浦腔中。与镀金反射体比较最大优势在于其使用寿命极长。高反射率陶瓷材料在可见光区(380nm-780nm)光谱平均反射率高达97%以上。
产品经理
热线:181-6269-8939
QQ: 1651816816
微信:XTGD518
即刻询价

陶瓷反射体近来广泛应用于激光泵浦腔中。与镀金反射体比较最大优势在于其使用寿命极长。高反射率陶瓷材料在可见光区(380nm-780nm)光谱平均反射率高达97%以上。

陶瓷反射体,漫反射体

灯泵浦固体激光器用陶瓷体

  • BAB – 外形是圆柱;

  • ZAB – 外形不规则;

  • LAK – 外形是方的但有一面是凹形;

  • EAB – 外形是方;

  • GAZ – 外形是三角形。

型号陶瓷体长度灯棒距离(灯灯距离)内孔高度内孔长度说明
ZAB-S04-30306812长方形 + 圆形
ZAB-S05-30307.62812长方形 + 圆形
ZAB-S0345
616长方形 + 圆形
ZAB-S04-50506812长方形 + 圆形
ZAB-S05-50507.62812长方形 + 圆形
ZAB-S0159.5
817长方形 + 圆形
ZAB-S0260
930长方形 + 圆形
ZAB20577111122长方体,单灯单棒
ZAB198115261643长方体,单灯单棒
ZAB146(TCT142D)142271643长方体,双灯单棒
LAK2834811.4

椭圆腔,单灯单棒上下结构
LAK3064811.4

椭圆腔,单灯单棒上下结构
LAK3174811.4

椭圆腔,单灯单棒上下结构
LAK39670
1221椭圆腔,单灯单棒上下结构
LAK046949

长方体,单灯单棒,上下结构
LAK396-100100
1221椭圆腔,单灯单棒上下结构
LAK396-120120
1221椭圆腔,单灯单棒上下结构
LAK396-140140
1221椭圆腔,单灯单棒上下结构
LAK31114532

长方体,双灯单棒,上下结构
LAK396-150150
1221椭圆腔,单灯单棒上下结构
LAK331160.527.5

长方体,双灯单棒,上下结构
LAK39118632

长方体,双灯单棒,上下结构
BAB259648.5816.5圆柱体,单灯单棒
BAB37371.5


椭圆腔
BAB-S06-8989109.319.3圆柱体,单灯单棒
BAB-S0492


椭圆腔
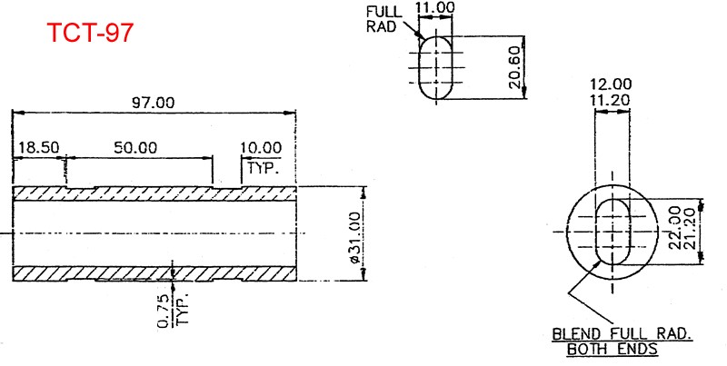
BAB192(TCT97)97
1222圆柱体,单灯单棒
BAB3119712.71527.7圆柱体,单灯单棒
BAB34997
1222圆柱体,单灯单棒
BAB275100
14.428.4圆柱体,单灯单棒
BAB283100
1732圆柱体,单灯单棒
BAB299100
1745椭圆体,双灯单棒
BAB281100
1834圆柱体,单灯单棒
BAB402101
14.530椭圆体,单灯单棒
BAB228115
1222圆柱体,单灯单棒
BAB330(TCT117)117
1222圆柱体,单灯单棒
BAB275-120120
14.428.4圆柱体,单灯单棒
BAB399120
1643圆柱体,双灯单棒
BAB350130
1745椭圆体,双灯单棒
BAB492150
1745椭圆体,双灯单棒
BAB496160
1745椭圆体,双灯单棒
BAB497170
1745椭圆体,双灯单棒

注:1)单位为mm;2)单灯单棒时,指灯棒距离,双灯单棒时,指灯灯距离。

半导体泵浦模块专用陶瓷体

型号说明: CRDP-XX-YY-Z-AAA-BBB

  • CRDP: 半导体泵浦陶瓷体

  • XX – 反射体内径 (mm)

  • YY - 反射体长度 (mm)

  • Z – 反射体面数,就是侧面可以放半导体巴条的数量。

  • AAA – 与反射体剖面相关的备注,如TRI (三角形)、CRL (圆形)、PLT (平面形)

  • BBB – 备注

型号直径mm)长度(mm)说明
CRDP-12-25-3-PLT1225适合侧面泵浦,360度均匀放置三组半导体激光管
CRDP-12-65-3-PLT1265适合侧面泵浦,360度均匀放置三组半导体激光管
CRDP-12-115-3-PLT12115适合侧面泵浦,360度均匀放置三组半导体激光管
CRDP-6.07-32.26-3-TRI6.0732.26外形三角形,FF材料,360度均匀放置三组半导体激光管
CRDP-12.2-67-3-TRI12.267外形三角形,FF材料,360度均匀放置三组半导体激光管
CRDP-12.2-76.3-5-CRL12.276.3外形圆形,360度均匀放置五组半导体激光管

美容和光子润肤用陶瓷体

  • 型号说明:CRIPL-XX-YY-BBB

  • CRIPL: 美容和光子润肤用陶瓷体

  • XX – 反射体内径或角度(mm/度)

  • YY - 反射体长度 (mm)

  • BBB – 备注

型号内径或角度 (mm/度)长度 (mm)备注
CRIPL-4.27/3.28-48/604.27-3.2848-60EAB-074,圆角棱形
CRIPL-23-46230 46’46LAK-404,上釉,倾斜端面,底部5孔
CRIPL-19-48-5190 52’48LAK-409,上釉,底部5孔
CRIPL-19-48-5G190 52’48LAK283,上釉,底部5孔
CRIPL-19-48-3190 52’48LAK306,未上釉,底部3孔
CRIPL-19-48-3G190 52’48LAK317,上釉,底部3孔

上面反射体是已有并且在市场上大量使用的。一般来说,反射体总是根据客户的要求订制的。请上我们的网站看反射体的机械图,以便理解其应用。如有具体要求,请联系我们。

STG系列陶瓷反射体

ST系列的陶瓷反射体坯体采用99% Al2O3制成坯体,经过适当的温度烧制,以保留合适的孔隙率和适当的坯体强度。陶瓷反射体表面采用了全涂覆高反射率陶瓷全釉工艺,与镀金反射体相比,其最大优势在于使用寿命极长,反射特性为漫反射。

此陶瓷反射体是医疗和工业激光焊接的泵浦腔的一个低成本、高效率的解决方案。

主要特性:

  • 表面全釉以取得最大反射率和易于清洗

  • 在波长600-1000nm处反射率达97%

  • 在400-1200nm频谱范围内反射率超过95%

  • 坯体具有适当的多孔和高强特性

物理特性:

  • 颜色:白色

  • 密度:3.1g/cm3?

  • 气孔率:22%

  • 抗弯强度:170MPa

  • 热膨胀系数:7.9×10-6??/С(200~500℃)

  • 9×10-6/С(200~1000℃)

性能指标测试图

主要型号定义

  • STG-BAB  –外形图为圆形;

  • STG-ZAB – 外形图不规则

  • STG-LAK – 上下结构(外形图为方形、长方形,但一面是凹形);

  • STG-EAB – 外形是长方形;

  • STG-GAZ – 外形是三角形。

下列图表中是我们现有的产品型号.

产品型号长度间距孔高度孔长度备注
STG-ZAB-N10099.9
12.833.5方形 + 圆形
STG-LAK-4949
10.212
STG-LAK-51.651.6
12.6
孔中心高度10.5mm
STG-LAK-51.6-251.6
10.0
孔中心高度10.5mm
STG-LAK-51.6-351.6
12.0
孔中心高度9mm
STG-LAK-51.6-451.6
15.0
孔中心高度11.5mm
STG-BAB-97 (=TCT-97)97
1222柱面形, 单灯单棒
STG-BAB-9898
1425柱面形, 单灯单棒
STG-BAB-117 (=TCT-117)117
1222柱面形, 单灯单棒
STG-BAB-137137.5
17.530柱面形, 单灯单棒

我们可根据客户提供的图纸定制陶瓷反射体。如有特殊应用和具体要求,请联系我们。

常用陶瓷体尺寸列表

  1. 单灯单棒用反射体:TCT97(等同于BAB192)TCT117(等同于BAB330)

  2. 双灯单棒用反射体:TCT-142D(等同于ZAB146)

  3. 双灯单棒用反射体:LAK331

  4. 单灯单棒用反射体:ZAB198

  5. 单灯单棒用反射体:ZAB205

  6. 半导体泵浦模块专用陶瓷体(CRDP-32xxx系列

分享: