 
            光纤耦合声光调制器(FCAOM)是光纤激光器的幅度调制的一个非常好的解决方案,它可以直接控制激光输出的时间、强度和时间形态。我们的光纤Q调制器在可见光和红外波段的调制频率高达260MHz,无论是在偏振模式还是非偏振模式都具有高消光比、低插入损耗和高稳定性的特点。Fiber-Q系列产品结构紧凑,封装牢固,非常适合集成到所有光纤和OEM系统中,包括医疗激光系统。
光纤耦合声光调制器(FCAOM)最初是安装在光纤中调制光纤中的光强度,而不破坏光纤本身来设计的。传统上,光纤激光器的调制是通过主振荡功率放大器(MOPA)实现的。MOPA需要一个单独的半导体激光种子源来调制脉冲产生的形状。光纤声光调制器则简单便捷很多,直接集成可以保持更可靠、更高功率的光路闭合的同时损耗更低。
光纤耦合声光调制器(FCAOM)可以直接控制光纤激光器有效输出的时间特性,提供更广泛的脉冲波形。作为声光效应的产物,通过光纤耦合调制器的一阶衍射模式的光也会经历频移和光束偏转。这使得我们的光纤Q产品不仅可用于调制,还可用于激光以外的应用,如光外差干涉测量。最近新增加的可见光光纤Q也将使全光纤仪器的结构设计更加紧凑,它可用于显微镜和流式细胞术等生物医学领域。

我们提供一系列的光纤声光调制器,具有低插入损耗、高消光比和出色的回波损耗的特性。其具体光学性能如下:
插入损耗:低至2 dB,取决于型号
消光比:50 dB
回波损耗:40 dB
偏振消光比:20dB(用于偏振光型号)
利用我们在电信零件设计方面的专业知识和工艺设计研发了一系列可以用于高功率和精确光纤对准的高质量可靠的光纤调制器。我们自已生长、抛光、制造二氧化碲(TeO2)晶体,确保在整个制造过程中严格控制实现了低散射高标准的产品质量。确保其具有可靠的高激光损伤阈值和高光学性能。
我们持续引领光纤耦合调制器的市场发展,新出了397nm-780nm的可见光波长的光纤调制器,以满足传感和量子技术应用的需求。我们的快速关断率光纤Q能使所有红外波段的光纤激光系统中高效、高速的选择光脉冲。我们大多数的器件都设计成3端口配置。
除了我们的标准的光纤调制器系列,我们也可根据客户需求提供定制、设计和批量生产服务。此外,我们也提供相应的技术支持,可为针对客户所需的调制类型(数字或模拟)以及任何特定的脉冲整形需求为客户推荐和选择最匹配的产品。
我们提供各种标准光纤耦合AOM,具体特点如下:-
波长:1064nm、1310nm或1550nm
驱动频率:40MHz、80MHz或100MHz、110MHz、150MHz、200MHz
光学上升时间:低至10ns
材料:二氧化碲和硫系玻璃
选项:单模、保偏和多模,带或不带连接器。提供两种、三种或四种光纤包装配置。
型号描述: T-M150-0.4C2G-3-F2S:
M =调制器
150 =驱动频率(MHz)
2 =二氧化碲(介质材料)
F2 = 2端口光纤耦合
S 或 P = 单模或保偏
| 型号 | 产品说明 | 可承受光功率W | 波长nm | 上升时间ns | 射频频率MHz | 
| STG-S-M200-0.4C2A-3-F2P STG-S-M200-0.4C2A-3-F2S | 非密封,PM/SM | 450 | 25 | 200 | |
| STG-S200-0.4C2N-3-F2P | 非密封, PM | 450, 532, 633, 780 | 25 | 200 | |
| STG-S-M200-0.4C2C-3-F2P, STG-S-M200-0.4C2C-3-F2S | 非密封,PM/SM | 532 | 25 | 200 | |
| STG-S-M200-0.4C2E-3-F2P, STG-S-M200-0.4C2E-3-F2S | PM/SM | 633 | 25 | 200 | |
| STG-S-M150-0.4C2G-3-F2S | 非密封,, SM, HI1060 | 1060 | 30 | 150 | |
| STG-S-M200-0.1C2G-3-F2S | 非密封, SM | 1060 | 10 | 200 | |
| STG-T-M150-0.5C2W-3-F2S | 非密封, SM | 780 | 30 | 150 | |
| STG-T-M150-0.5C2W-3-F2P | 非密封, PM | 780 | 30 | 150 | |
| STG-T-M150-0.4C2G-3-F2S | 密封 | 5W | 1060 | 30 | 150 | 
| STG-T-M200-0.1C2G-3-F2S | 密封, SM, | 1W | 1060 | 10 | 200 | 
| STG-T-M200-0.1C2G-3-F2P | 密封, PM, | 1W | 1060 | 10 | 200 | 
| STG-T-M200-0.1C2G-3-F2P | 密封PM | 1060 | 10 | 200 | |
| STG-T-M200-0.1C2G-3-F2S | 密封SM HI1060 | 1W | 1060 | 10 | 200 | 
| STG-T-M260-0.1C2G-3-F2P | 密封, PM | 1060 | 6 | 260 | |
| STG-T-M300-0.1C2G-3-F2S | HI1060 | 0.5W | 1060 | 6 | 300 | 
| STG-T-M300-0.1C2G-3-F2P | Fujikura PM1550 | 1W | 1060 | 6 | 300 | 
| STG-T-M150-0.4C2G-3-F2P | 密封, Fujikura PM980 (SM98-PS-U25A) | 5W | 1060 | 30 | 150 | 
| STG-T-M200-0.1C2J-3-F2P | 密封, Fujikura PM1550(SM15-PS-U25A) | 1W | 1550 | 10 | 200 | 
| STG-T-M200-0.1C2J-3-F2S | 密封, SMF28 | 1W | 1550 | 10 | 200 | 
| STG-T-M110-0.2C2J-3-F2S | 密封,SMF28 | 1W | 1550 | 25 | 110 | 
| STG-T-M110-0.2C2J-3-F2P | 密封, Fujikura PM1550(SM15-PS-U25A) | 1W | 1550 | 25 | 110 | 
| STG-T-M080-0.4C2J-3-F2S | 密封, SMF28 | 1W | 1550 | 35 | 80 | 
| STG-T-M080-0.4C2J-3-F2S | 密封, PM | 1W | 1550 | 35 | 80 | 
| STG-T-M080-0.4C2J-3-F2P | 密封, Fujikura PM1550(SM15-PS-U25A) | 1W | 1550 | 35 | 80 | 
| STG-T-M040-0.5C8J-3-F2S | SMF28 | 1W | 1550 | 70-100 | 40 | 
| STG-T-M080-0.5C8J-3-F2S | 密封,低功耗 | 1W | 1550 | 70-100 | 80 | 
| STG-T-M080-0.5C8J-3-F2P | 密封, 保偏,低功耗 | 1W | 1550 | 70-100 | 80 | 
| STG-T-M040-0.5C8J-3-F2P | 保偏 | 1W | 1550 | 70-100 | 40 | 
| STG-T-M080-0.3C2Z-3-F2S | Nufern SM1950 | 5W | 2000 | 70-100 | 80 | 
| STG-T-M080-0.3C2Z-3-F2P | Nufern PM1950 | 5W | 2000 | 70-100 | 80 | 
| STG-T-M250-0.3C16Z-3-F2P | Nufern PM-GDF | 1W | 2000 | 20 | 250 | 
下表列出了我们旧型号的光纤耦合声光调制器,有些我们还有库存,大多数都有相似的替代品。如有需求,请与我们联系。
| 型号 | 产品说明 | 驱动(仅供参考) | 
| T-M040-0.5C8H-3-F2S | 1310nm(1285~1325nm),射频频率40MHz,平均光功率≤1W,SMF(单模光纤) | MLP040-0.4DC MLP040-0.4AC-A1 MLP040-0.4DS2 MLP040-0.4AS2-A1 | 
| T-M040-0.5C8J-3-F2S | 1550nm(1530~1565nm),射频频率40MHz,平均光功率≤1W,SMF(SMF28) | MLP040-0.4DC MLP040-0.4AC-A1 MLP040-0.4DS2 MLP040-0.4AS2-A1 | 
| T-M040-0.5C8J-3-F2P | 1550nm(1530~1565nm),射频频率40MHz,平均光功率≤1W,PMF(Fujikura PM1550) | MLP040-0.4DC MLP040-0.4AC-A1 MLP040-0.4DS2 MLP040-0.4AS2-A1 | 
| T-M080-0.4C2J-3-F2P | 1550nm, 射频频率80MHz,射频功率≤3W, 平均光功率1W,光纤Fujikura PM1550(SM15-PSU25A),无连接器 | 1080AF-AINA-3.0 HCR 1080AF-DINA-3.0 HCR | 
| T-M080-0.4C2J-3-F2S | 1550nm,射频频率80MHz,射频功率≤3W,平均光功率1W,光纤SMF28,无连接器 | 1080AF-AINA-3.0 HCR 1080AF-DINA-3.0 HCR | 
| T-M150-0.4C2G-3-F2P | 1060nm,射频150MHz,射频功率≤2W,平均光功率5W,光纤Fujikura PM980(SM98-PS-U25A),无连接器 | 1150AF-AINA-3.0 HCR 1150AF-DINA-3.0 HCR | 
| T-M150-0.4C2G-3-F2S | 1060nm,射频150MHz,射频功率≤2W,平均光功率5W,光纤HI1060,无连接器 | 1200AF-AINA-3.0 HCR 1200AF-DINA-3.0 HCR | 
| T-M200-0.1C2J-3-F2P | 1550nm,射频频率200MHz,射频功率≤3W,平均光功率1W,光纤Fujikura PM1550(SM15-PSU25A),无连接器 | 1200AF-AINA-3.0 HCR 1200AF-DINA-3.0 HCR | 
| T-M200-0.1C2J-3-F2S | 1550nm,射频频率200MHz,射频功率≤3W,平均光功率1W,光纤SMF-28,无连接器 | 1200AF-AINA-3.0 HCR 1200AF-DINA-3.0 HCR | 
| T-M200-0.1C2G-3-F2P | 1060nm,射频频率200MHz,功率3W,平均光功率1W,光纤Fujikura PM980(SM98-PS-U25A),无连接器 | 1200AF-AINA-3.0 HCR 1200AF-DINA-3.0 HCR | 
| T-M200-0.1C2G-3-F2S | 1060nm,射频频率200MHz,射频功率≤3W,平均光功率1W,光纤SMF-28,无连接器 | 1200AF-AINA-3.0 HCR 1200AF-DINA-3.0 HCR | 
| I-FS060-2F-F2P | 852nm,射频60MHz,射频功率≤1W,2m长PM光纤 | |
| MM065-1C2V5-5-F2XY-Z | 二氧化碲,2um,65MHz,随机,上升时间75ns,RF≤4W,单模光纤9/125或保偏光纤8/125 | 31065-4xx | 
| MM065-1C2V12-5-F2XY-Z | 二氧化碲, 1.95um, 65MHz, 随机, 上升时间100ns, RF ≤4W, 单模光纤9/125 或保偏光纤 8/125 | 31065-4xx | 
| MFS150-.2C17J-3-F2P-X-GH | 磷化镓, 1.55um, 150MHz, 上升时间10ns, RF< 2W,,PM光纤8/125 | |
| 15200-.2-1.55-LTD-GaP-FO | 磷化镓, 1.55u,线性偏振, 上升/下降时间10ns, 保偏光纤 8/125, 200MHz, RF2W | 21200-2xx | 
| 15200-.2-1.06-LTD-GaP-FO-GH | 磷化镓, 1.06um,线性偏振, 上升/下降时间10ns, 保偏光纤6/125, 200MHz, RF 2W | 21200-2xx | 
| 23050-1-1.95-LTD-FO-2HP-PM-CSF | 二氧化碲, 1950nm, 50MHz, 线性偏振, 上升时间100ns, 保偏光纤GDF 10/130um, 0.15/0.46NA, RF< 4W | |
| 23080-1-.85-LTD-FO | 二氧化碲, 850nm,80MHz, 随机, 上升时间50ns, 单模或保偏光纤5/125, RF< 1W | |
| 23080-1-1.06-LTD-FO | 二氧化碲,1060nm, 80MHz, 随机, 上升时间50ns, 单模光纤 6/125 (保偏光纤 6/125 可选), < 0.5W @ 1060nm, 用于激光腔外部, RF < 1.25W | 21080-1xx | 
| 23080-1-1.06-LTD-FO-HP | 二氧化碲, 1060nm, 80MHz, 随机, 上升时间50ns, 单模光纤 6/125 (保偏光纤6/125可选), < 2W @ 1060nm, 用于激光腔外部, RF < 1.25W | 21080-1xx | 
| 23080-1-1.06-LTD-FO-2HP | 二氧化碲, 1060nm, 80MHz, 随机, 上升时间50ns, 单模光纤 6/125 (保偏光纤6/125 可选), < 2W @ 1060nm, 可用于激光腔内部, RF < 1.25W | 21080-1xx | 
| 23080-1-1.3-LTD-FO | 二氧化碲, 1300nm, 80MHz, 随机, 上升时间50ns, 单模光纤9/125 (保偏光纤8/125可选), RF < 1.5W | 21080-2xx | 
| 23080-1-1.55-LTD-FO | 二氧化碲, 1520-1570nm, 80MHz, 随机, 上升时间50ns, 单模光纤9/125, RF < 2W | 21080-2xx | 
| 26035-2-1.3-LTD-FO | AMTIR, 1300nm, 35MHz, 随机, 上升时间100ns, 单模光纤9/125 (保偏光纤8/125可选), RF < 0.5W | 21035-0.4xx | 
| 26035-2-1.55-LTD-FO | AMTIR, 1520-1570nm (1570-1620nm optional), 35MHz, 随机, 上升时间100ns, 单模光纤9/125 (保偏光纤8/125可选), RF < 0.5W | 21035-0.4xx | 
| 26050-1-1.55-LTD-FO | AMTIR, 1520-1570nm (1570-1620nm可选), 50MHz, 随机, 上升时间100ns, single mode fiber 9/125 (PM 8/125 optional), RF < 0.5W | 21050-0.4xx | 
| 26055-1-1.55-LTD-FO | AMTIR, 1520-1570nm (1570-1620nm optional), 55MHz, 随机, 上升时间100ns, 单模光纤9/125, 3 端口, RF < 1W | 21055-0.4xx | 
| 26055-1-1.55-LTD-3FO | AMTIR, 1550nm, 55MHz, 随机, 上升时间100ns, 单模光纤9/125, 3端口, RF < 1W | 21055-0.4xx | 
| 26055-1-1.55-LTD-4FO | AMTIR, 1550nm, 55MHz, 随机, 上升时间100ns, 单模光纤9/125, 4端口, RF < 0.5W | 21055-0.4xx | 
| 47040-2-.63-6.5DEG-LTD-FO-PM | 二氧化碲, 633nm, 40MHz,线性偏振, 上升时间440ns, 保偏光纤 4/125, 1米长, RF< 0.5W | 21040-0.4xx | 
| 54035-1.55-.5AS-FO | AMTIR, 1520-1570nm (1570-1620nm 可选), 35MHz, 随机, 上升时间100ns, 单模光纤9/125, 1, 2, 3 or 4 通道 | 集成驱动 | 
| 54055-1.55-.5DS-3FO | AMTIR, 1550nm, 55MHz, 随机, 上升时间100ns, 单模光纤9/125, 3 端口 | 集成驱动 | 
| 54080-1.55-2DS | 二氧化碲, 1520-1570nm (1570-1620nm 可选), 80MHz, 随机, 上升时间50ns, 单模光纤9/125, 1, 2, 3 或 4 通道 | 集成驱动 | 
备注:
驱动型号中的xx(例如21200-2xx)可以是DM、AM、DS或AS
标准连接器为FC/PC(不适用于T-M080、T-M150和T-M200系列)。我们还提供以下选项:FC/APC、SC/PC和SC/APC。(备注:1。FC=命名为“Frank Charlie”,旋入式金属插头;2。SC=命名为“Sam Charlie”,方形塑料接头。三。PC=抛光连接器,通常回波损耗(RL)>40dB(min)[例如FC/PC,SC/PC];4。APC=8度角抛光连接器,通常RL>50dB(最小)[例如FC/APC、SC/APC])

主要参数
| 切换时间(nsec) | < 100 | 
| 开/关熄灭 (dB) | >50 | 
| 背面反射(dB) | < -50 | 
| 插入损耗 (dB) | < 2.5 | 
| 波长 (nm) | 380-2100nm | 
| 低功耗(dBm) | < 23 | 
| 工作波长范围(nm) | >60 | 
| 型号 | 波长(nm) | 中心频率(MHz) | 上升时间(ns) | 调制带宽(MHz) | 光纤类型 | 
| STBR-TEM-110-10-55-2FP | 380-1600 | 110 | 55 | 10 | SM或PM | 
| STBR-TEM-200-25-20-2FP | 380-1600 | 200 | 20 | 25 | |
| STBR-TEM-250-50-10-2FP | 380-1600 | 250 | 10 | 50 | |
| STBR-TEM-500-100-5-2FP | 380-1600 | 500 | 5 | 100 | |
| STBR-IPM-200-25-20-2FP | 1000-2100 | 200 | 20 | 25 | |
| STBR-IPM-500-100-5-2FP | 1000-2100 | 500 | 5 | 100 | |
| STBR-AMM-55-8-70-2FP | 1000-2500 | 55 | 70 | 8 | |
| STBR-AMM-100-20-25-2FP | 1000-2500 | 100 | 25 | 20 | 

| 参数 | 单位 | |
| 波长 | nm | 1064 | 
| 频率 | MHz | 100 | 
| 平均光功率: | W | 5 | 
| 衍射效率 (自由空间 AOM) | ≥85% | |
| 耦合效率 (光纤‐AOM) | ≥75% | |
| 插入损耗 | dB | < 1.2 | 
| 透过率 | >99.0% | |
| 返回损耗 | dB | > 45 | 
| 光纤类型 | NUFERN 10/125 | |
| 光纤长度 | cm | >60 | 
| 光纤终端 | 裸纤 | |
| VSWR @120MHz | < 1.3:1 | |
| RF 连接器 | SMA | |
| RF功率 | W | 2.0 | 
| 储存温度 | ℃ | ‐20 to +70 | 
| 尺寸 | mm | 103x30x14 | 
订购信息:STA-WWW-FFF-TTT-JJJ-LLL
STA 是指 STA系列光纤耦合 AOM;
WWW 是指激光波长如: 1064nm, 1550nm, 2000nm 等
FFF 是指驱动频率如: 100, 120, 150, 200MHz 等
TTT是指光纤类型如: L06 (6/125型), L09 (9/125光纤), L10 (12/125 DCF 光纤), L12 (12/125 DCF 光纤), P06 (PM98 光纤), P10 (PM10/125 DCF 光纤)等
JJJ 是指means光纤护套输入/输出类型如:B (裸纤), L (900um散纤), C (3nm散纤) 等
LLL是指光纤长度(单位:米).
STA系列光纤耦合 AOMs的射频驱动器
| 频率 | 100 MHz | 
| 电压 | 24 | 
| 信号控制模式 | TTL | 
| 高电平输出电压 | > 25V | 
| 高电平峰值跳变电压 | < 1V | 
| 射频功率 | 2.0 ± 0.2 W | 
| 延时范围 | 60ns – 600ns | 
| 上升时间可调范围 | 50ns‐500ns | 
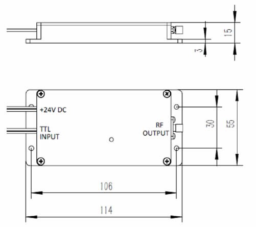
| 尺寸 | 114x55x15mm | 

| 参数 | 单位 | |
| 波长 | nm | 1064 | 
| 频率 | MHz | 100 | 
| 平均光功率 | W | 5 | 
| 衍射效率(自由空间 AOM) | ≥85% | |
| 耦合效率 (光纤‐AOM) | ≥85% | |
| 插入损耗 | dB | < 1.6 | 
| 透过率 | >99.0% | |
| 返回损耗 | dB | > 45 | 
| 光纤类型 | NUFERN 10/125 GSF | |
| 光纤长度 | cm | >60 | 
| 光纤终端 | 裸纤 | |
| VSWR @120MHz | < 1.3:1 | |
| RF 连接器 | SMA | |
| RF功率 | W | 1.8 | 
| 储存温度 | ℃ | ‐20 to +70 | 
| 尺寸 | mm | 128x36x14 | 
订购信息: STZ-WWW-FFF-TTT-JJJ-LLL
STz 是指 STz系列光纤耦合 AOM;
WWW 是指激光波长如: 1064nm, 1550nm, 2000nm 等
FFF 是指驱动频率如: 100, 120, 150, 200MHz 等
TTT是指光纤类型如: L06 (6/125型), L09 (9/125光纤), L10 (12/125 DCF 光纤), L12 (12/125 DCF 光纤), P06 (PM98 光纤), P10 (PM10/125 DCF 光纤)等
JJJ 是指means光纤护套输入/输出类型如:B (裸纤), L (900um散纤), C (3nm散纤) 等
LLL是指光纤长度(单位:米).
STZ系列光纤耦合声光调制器的射频驱动器

| 频率 | 100 MHz | 
| 电压 | 15V | 
| 信号控制模式 | TTL | 
| 高电平输出电压 | >3.3V | 
| 射频功率 | 1.8 ± 0.1 W | 
| 延时范围 | 60ns – 600ns | 
| 上升时间可调范围 | 250ns‐270ns | 
| 尺寸 | 62x49x12.5mm | 
备注:可按要求提供其他频率